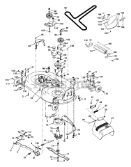
YTKH 1542 XP (954568465-A) - Husqvarna 42" Yard Tractor (2003-10) Parts & Diagrams Parts Lists & Diagrams

42" Yard Tractor