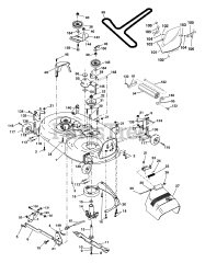
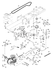
YTKH 1542 XP (954568465-C) - Husqvarna 42" Yard Tractor (2004-03) Parts & Diagrams Parts Lists & Diagrams

42" Yard Tractor