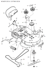
Z 242 F (967665701-00) - Husqvarna 42" Zero-Turn Mower (2017-02) Parts & Diagrams Parts Lists & Diagrams

42" Zero-Turn Mower