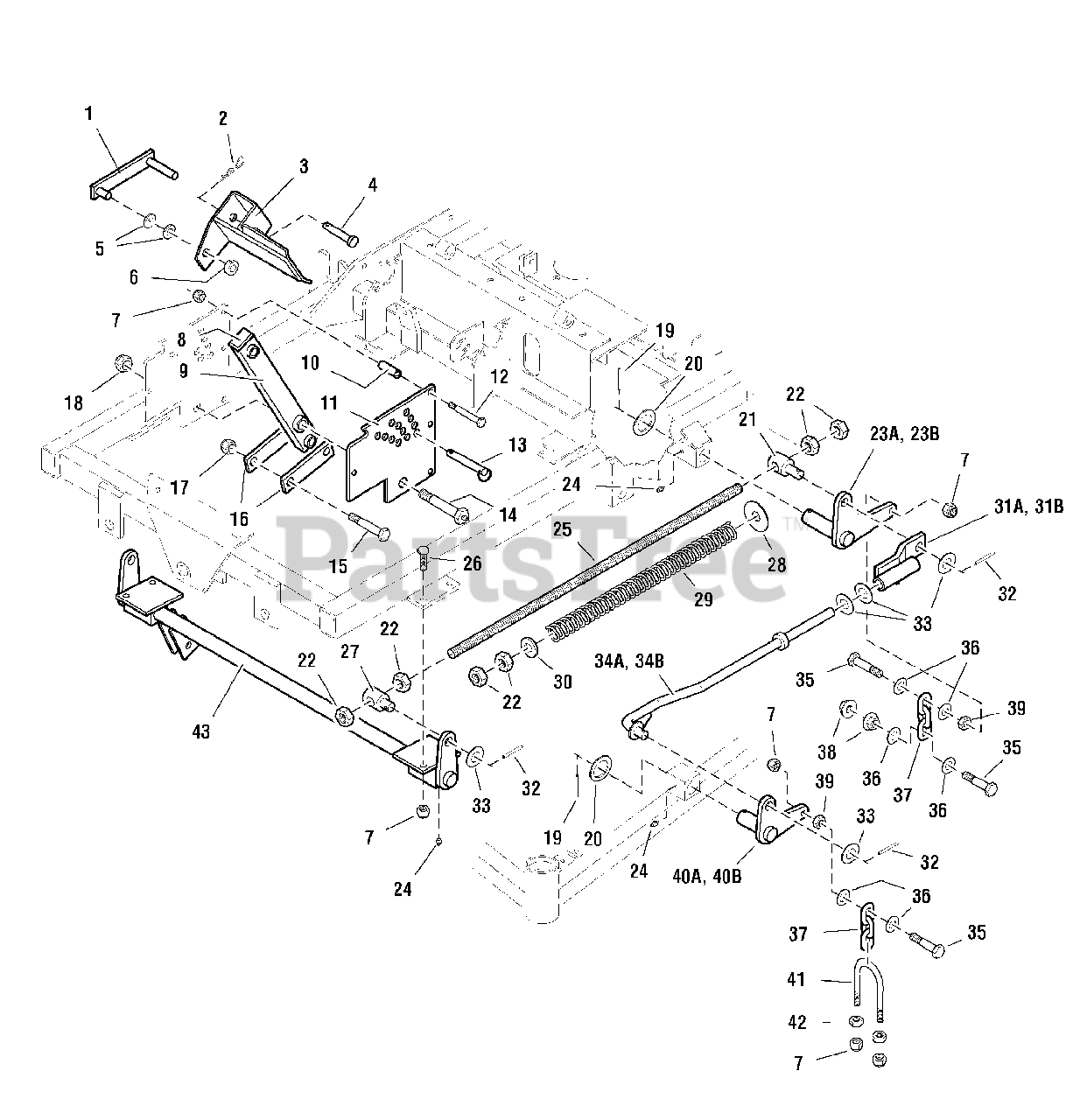
ZT 2148 T - Simplicity Colt 48" Zero-Turn Mower, 21hp Kohler Lift Group (7090dlg) Parts Diagram

Colt 48" Zero-Turn Mower, 21hp Kohler

Lift Group (7090dlg) Parts Diagram

  • Title
1

Simplicity 5044999CSM

DECK LIFT LOCK

$

$

Not available

2

Simplicity 1918196SM

HAIRPIN CLIP
(Superseded to 5025210YP)

$3.99

$

In Stock, Qty 20+

0

3

Simplicity 5045058CSM

DECK LIFT PEDAL

$92.99

$

Usually ships in 2-12 days

0

*

Simplicity 5044875SM

SAFETY WALK, Deck Lift Pedal (not shown)
(Superseded to 5101008SM)

$7.99

$

Usually ships in 2-12 days

0

4

Simplicity 5022044SM

PIN, Clevis, 1/2 x 2-1/2

$4.49

$

Usually ships in 2-12 days

0

5

Simplicity 5025158SM

WASHER, 1/2

$4.49

$

In Stock, Qty 20+

0

6

Simplicity 5023241SM

COLLAR, Split, 1/2

$17.99

$

Usually ships in 2-12 days

0

7

Simplicity 5025096SM

NUT, Hex, Nylon Lock, 3/8-16

$3.49

$

In Stock, Qty 20+

0

$3.49

$

Usually ships in 2-12 days

0

9

Simplicity 5044987CSM

ARM, Deck Lift Pivot

$39.99

$

Usually ships in 2-12 days

0

10

Simplicity 5044992SM

SPACER, .38 x .50 x 1.56

$6.49

$

Usually ships in 2-12 days

0

11

Simplicity 5047043CSM

DECK HEIGHT PLATE

$64.99

$

Usually ships in 2-12 days

0

12

Simplicity 5025013X22SM

CAPSCREW, Hex Hd, 3/8-16 x 2-3/4

$4.49

$

In Stock, Qty 20+

0

13

Simplicity 5023082SM

PIN, 1/2 x 3

$23.99

$

Usually ships in 2-12 days

0

14

Simplicity 5044993SM

LIFT PIVOT BOLT

$32.99

$

Usually ships in 2-12 days

0

15

Simplicity 502501824

CAPSCREW, Hex Hd, 1/2-20 x 3

$

$

Not available

16

Simplicity 5047513CSM

LINK, Deck Lift

$

$

Not available

17

Simplicity 5025098SM

NUT, Hex, Nylon Lock, 1/2-20

$6.49

$

In Stock, Qty 12

0

18

Simplicity 5025282SM

NUT, Hex Jam, Nylon Lock, 5/8-11

$

$

Not available

19

Simplicity 5025516SM

PIN, Roll, 3/16 x 1-1/2

$3.49

$

Usually ships in 2-12 days

0

$12.99

$

Usually ships in 2-12 days

0

21

Simplicity 5047446SM

SPRING ROD PIVOT

$19.99

$

Usually ships in 2-12 days

0

22

Simplicity 5025040SM

NUT, Hex, 5/8-11

$3.49

$

In Stock, Qty 11

0

23A

Simplicity 5045449CSM

DECK LIFT PIVOT-LH

$

$

Not available

23B

Simplicity 5045450CSM

DECK LIFT PIVOT-RH (not shown)

$

$

Not available

24

Simplicity 5020095SM

GREASE FITTING

$4.49

$

In Stock, Qty 20+

0

25

$33.99

$

Usually ships in 2-12 days

0

26

Simplicity 5025013X10SM

CAPSCREW, Hex Hd, 3/8-16 x 1-1/4

$4.49

$

In Stock, Qty 20+

0

27

Simplicity 5045447SM

SPRING ROD PIVOT

$26.99

$

In Stock, only 1 left!

0

28

Simplicity 5025159SM

WASHER, USS, 5/8
(Superseded to 5025477SM)

$4.49

$

In Stock, Qty 20+

0

29

Simplicity 5022668SM

DECK LIFT SPRING

$

$

Not available

30

Simplicity 5041477SM

SPACER, .63 x 1.06 x .23

$6.49

$

Usually ships in 2-12 days

0

31A

Simplicity 5047198CSM

DECK LIFT OFFSET LINK-LH

$

$

Not available

31B

Simplicity 5047197CSM

DECK LIFT OFFSET LINK-RH (not shown)

$

$

Not available

32

Simplicity 5022366SM

PIN, Spring, 3/16 x 1-1/4

$3.49

$

Usually ships in 2-12 days

0

33

Simplicity 5025281SM

WASHER, 5/8

$4.49

$

In Stock, Qty 20+

0

34A

Simplicity 5047500

DECK LIFT ROD-LH

$

$

Not available

34B

Simplicity 5047498

DECK LIFT ROD-RH (not shown)

$

$

Not available

35

Simplicity 5025013X14SM

CAPSCREW, Hex Hd, 3/8-16 x 1-3/4

$4.49

$

In Stock, Qty 20+

0

36

Simplicity 5025156SM

WASHER, 3/8
(Superseded to 703590)

$3.99

$

In Stock, Qty 20+

0

37

Simplicity 5050878X3SM

CHAIN, 3 Links

$8.99

$

In Stock, only 2 left!

0

38

Simplicity 5025128SM

NUT, Hex, Serrated Flange, 3/8-16

$3.49

$

In Stock, Qty 20+

0

39

Simplicity 5025084SM

NUT, Hex, Jam, 3/8-16

$3.49

$

In Stock, only 4 left!

0

40A

Simplicity 5047438CSM

DECK LIFT PIVOT-LH

$

$

Not available

40B

Simplicity 5047437CSM

DECK LIFT PIVOT-RH (not shown)

$

$

Not available

$17.99

$

Usually ships in 2-12 days

0

42

Simplicity 1916950SM

NUT, Hex, 3/8-16
(Superseded to 703577)

$4.49

$

In Stock, Qty 20+

0

43

Simplicity 5047441CSM

DECK LIFT SHAFT & MOUNT ASSEMBLY

$387.99

$

Usually ships in 2-12 days

0