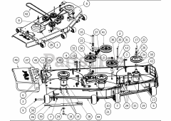
ZT Elite - Bad Boy Zero-Turn Mower (2020) Parts & Diagrams Parts Lists & Diagrams

Zero-Turn Mower