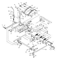
ZTH 5221 KAA (968999159) - Husqvarna 52" Zero-Turn Mower (2000-12) Parts & Diagrams Parts Lists & Diagrams

52" Zero-Turn Mower