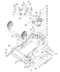
Ariens 00191576  ASSY, FRONT AXLE

Ariens 00191576 ASSY, FRONT AXLE

Ariens 00191576

ASSY, FRONT AXLE
(Superseded to )

$

$

Not available

Models that Use this Part

Your part was not found on any models.

  • If you feel this is in error or desire further assistance, please call us!

991400 (EZKW2352S) - EverRide Hornet 52" Zero-Turn Mower, 23hp Kawasaki (SN: 010000 & Above)

Clutch and Handle

991401 (EZKH1848S) - EverRide Hornet 48" Zero-Turn Mower, 18hp Kawasaki (SN: 010000 & Above)

Clutch and Handle

991402 (EZKA1948S) - EverRide Hornet 48" Zero-Turn Mower, 19hp Kawasaki (SN: 010000 & Above)

Clutch and Handle