Bad Boy 071-3000-00  Suspension Seat

Bad Boy 071-3000-00 Suspension Seat

Bad Boy 071-3000-00

Suspension Seat
(Superseded to )

$

$

Not available

Models that Use this Part

Your part was not found on any models.

  • If you feel this is in error or desire further assistance, please call us!

AOS - Bad Boy Zero-Turn Mower (2007)

Seat Frame

AOS - Bad Boy Zero-Turn Mower (2008)

Seat Frame

CZT - Bad Boy Zero-Turn Mower (2010)

Seat & Tanks

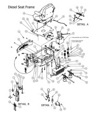
Diesel / Compact Diesel - Bad Boy Zero-Turn Mower (2012)

Diesel Seat Frame

Outlaw / Outlaw Extreme - Bad Boy Zero-Turn Mower (2010)

Seat Frame

Pup / Lightning - Bad Boy Zero-Turn Mower (2007)

Floor Panel

Pup / Lightning - Bad Boy Zero-Turn Mower (2008)

Floor Panel

ZT - Bad Boy Zero-Turn Mower (2010)

Seat & Tanks

ZT - Bad Boy Zero-Turn Mower (2011)

Seat & Tanks