BCS America 561.45833  SUPPORT

BCS America 561.45833 SUPPORT

BCS America 561.45833

SUPPORT
(Superseded to )

$

$

Currently unavailable

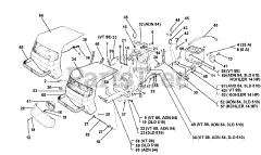
Models that Use this Part

Your part was not found on any models.

  • If you feel this is in error or desire further assistance, please call us!

745 - BCS America Two-Wheeled Tractor

Electric Start (SN: 200000 - 204472)