Billy Goat 900171  BOLT AXLE 1/2" X 1.56 LG

Billy Goat 900171 BOLT AXLE 1/2" X 1.56 LG

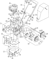
Billy Goat 900171

BOLT AXLE 1/2" X 1.56 LG
(Superseded to )

$

$

Currently unavailable

Models that Use this Part

Your part was not found on any models.

  • If you feel this is in error or desire further assistance, please call us!

LB 352 - Billy Goat Lawn & Leaf Vacuum

Parts Assembly