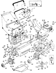
Cub Cadet 16131
              
              AXLE ASSEMBLY-
               - 
             
            
            
            
               in.
               in.
               in.
               lbs.
             
            
            
           
          
          
     
    
    
      
      
        
          Your part was not found on any models.
          
            
              - If you feel this is in error or desire further assistance, please call us!
 
         
        
        
          
          
        
            
              
              
                
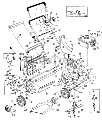
                  112 (116-112-100) - Cub Cadet Walk-Behind Mower (1986)
                
                
               
             
           
            
              
              
                
                  112 (117-112-100) - Cub Cadet Walk-Behind Mower (1987)
                
                
               
             
           
            
              
              
                
                  116 R (118-116R100) - Cub Cadet Walk-Behind Mower (1988)