Cub Cadet 782-5002  Front Baffle

Cub Cadet 782-5002 Front Baffle

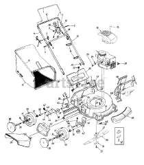
Cub Cadet 782-5002

Front Baffle
(Superseded to 782P5002B)
Description... Hide
The purpose of the Deck Baffle is to create a cycle of airflow to pull grass up to the blades and then push clippings out the side. Baffles may warp, get dented, or rust, decreasing its ability to control airflow. A damaged baffle can cause grass clippings to collect within the deck which can dramatically decrease mower performance. Adding or replacing a damaged deck baffle will improve the performance of your mower and help control your preferred discharge system.

Cub Cadet 782-5002-0637

Front Baffle - POWDER BLACK (0637)
Description... Hide

$

$

Not available

$

$

Not available

Models that Use this Part

Your part was not found on any models.

  • If you feel this is in error or desire further assistance, please call us!

PR 521 (11A-436F100) - Cub Cadet Walk-Behind Mower (1997)

Control Handle Assembly

PR 521 (11A-438C100) - Cub Cadet Walk-Behind Mower (2000)

General Assembly

PR 521 (11A-438C101) - Cub Cadet Walk-Behind Mower (1999)

Repair Parts

PR 521 (11B-436F100) - Cub Cadet Walk-Behind Mower (1998)

Mower Assembly

PR 521 (11B-438C100) - Cub Cadet Walk-Behind Mower (2001)

General Assembly