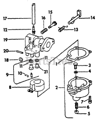
Cub Cadet IH-58684-C1  SHAFT W/DISC, THROTTLE

Cub Cadet IH-58684-C1 SHAFT W/DISC, THROTTLE

Cub Cadet IH-58684-C1

SHAFT W/DISC, THROTTLE
(Superseded to )

$

$

Currently unavailable

Models that Use this Part

Your part was not found on any models.

  • If you feel this is in error or desire further assistance, please call us!

3319 - International Harvester 19" Push Walk-Behind Mower (1973 - 1974)

Carburetor

3320 - International Harvester 21" Push Walk-Behind Mower (1973 - 1974)

Carburetor

3321 - International Harvester 19" Push Walk-Behind Mower (1973 - 1974)

Carburetor

3323 - International Harvester 21" Push Walk-Behind Mower (1973 - 1974)

Carburetor

3324 - International Harvester 21" Self-Propelled Walk-Behind Mower (1973 - 1974)

Carburetor

3325 - International Harvester 21" Self-Propelled Walk-Behind Mower (1973 - 1974)

Carburetor