Cub Cadet TC-35626  Rocker Cover Gasket

Cub Cadet TC-35626

Rocker Cover Gasket
(Superseded to )
Description... Hide
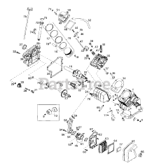
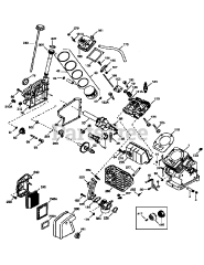
The purpose of the Gasket is to seal connections between two or more mating surfaces. Gaskets can wear over time from overheating, abrasion, friction, improper lubrication, and high pressure. Your gasket may be damaged if the contact faces have a grazed surface, lacerations, and breaks. A damaged gasket can cause more consequential damage to your engine, gear case, or carburetor. Because gaskets must be the proper size to create a seal, we recommend gaskets are purchased from the OEM/Manufacturer.

$3.99

$

In Stock, only 2 left!

0

Models that Use this Part

Your part was not found on any models.

  • If you feel this is in error or desire further assistance, please call us!

522 E (317E623D100) - Cub Cadet 22" Snow Thrower Engine (1997)

Engine Assembly I

522 E (31AE623D100) - Cub Cadet 22" Snow Thrower Engine (1998)

Engine Assembly & Muffler

522 E (31AE623D101) - Cub Cadet 22" Snow Thrower Engine (1999)

Engine Assembly

522 LS (247D523B100) - Cub Cadet Log Splitter Engine (1997)

Engine Assembly I

522 WE (31AH623D100) - Cub Cadet 22" Snow Thrower Engine (2000)

Engine Assembly (Model 522WE)

522 WE (31AH623D100) - Cub Cadet 22" Snow Thrower Engine (2001)

Engine

721 E (31AE295-100) - Cub Cadet 21" Snow Thrower Engine (2002)

General Assembly

724 E (31AE633E100) - Cub Cadet 24" Snow Thrower Engine (1998)

Engine Assembly & Muffler

724 E (31AE633E101) - Cub Cadet 24" Snow Thrower Engine (1999)

Engine Assembly

724 STE (31AH733E100) - Cub Cadet 24" Snow Thrower Engine (2001)

Engine

724 WE (31AE633E100) - Cub Cadet 24" Snow Thrower Engine (2002)

General Assembly

724 WE (31AH633E100) - Cub Cadet 24" Snow Thrower Engine (2000)

Engine Assembly (Model 724WE)

724 WE (31AH633E100) - Cub Cadet 24" Snow Thrower Engine (2001)

Engine

CSV 24 (247-103A100) - Cub Cadet Chipper/Shredder/Vacuum Engine (1997)

Engine Assembly I

CSV 24 (24A-103A101) - Cub Cadet Chipper/Shredder/Vacuum Engine (1998)

Engine Assembly, Air Filter & Muffler

CSV 240 (247-203B100) - Cub Cadet Chipper/Shredder/Vacuum Engine (1997)

Engine Assembly I

CSV 240 (24A-203B100) - Cub Cadet Chipper/Shredder/Vacuum Engine (2000)

Engine Assembly (Model CSV240)

CSV 240 (24A-203B100) - Cub Cadet Chipper/Shredder/Vacuum Engine (2001)

Engine

CSV 240 (24A-203B100) - Cub Cadet Chipper/Shredder/Vacuum Engine (2002)

Engine

CSV 240 (24A-203B101) - Cub Cadet Chipper/Shredder/Vacuum Engine (1998)

Engine Assembly, Air Filter & Muffler

CSV 240 (24A-203B101) - Cub Cadet Chipper/Shredder/Vacuum Engine (1999)

Engine Assembly & Muffler

LS 27 T (24AA570H100) - Cub Cadet Log Splitter Engine (2000)

Engine Assembly (Model LS27T)

LS 27 T (24AD563B101) - Cub Cadet Log Splitter Engine (1999)

Engine Assembly

RT-60 (21B-448-100) - Cub Cadet Rear-Tine Tiller Engine (1998)

Engine Assembly, Air Filter & Muffler

RT-65 (21AB453J710) - Cub Cadet Rear-Tine Tiller (2006)

Engine

Don’t see your model? Add key terms into the filter above to refine your search results.