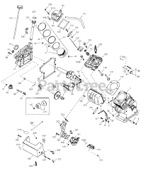
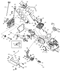
Cub Cadet TC-36722  Muffler

Cub Cadet TC-36722 Muffler

Cub Cadet TC-36722

Muffler
(Superseded to TC-37595A)
Description... Hide
The purpose of the Muffler is to reduce the noise emitted by the exhaust of an internal combustion engine. Mufflers often wear over time from rust due to condensation build up. As the engine cools down after use, the change in temperature creates a build up of condensation. Excessive noise, exhaust, or change in your engine's exhaust tone are signs that a muffler is damaged. A damaged muffler can allow for excessive noise, reduce fuel economy, and impact the performance of your machine.

$

$

Not available

Models that Use this Part

Your part was not found on any models.

  • If you feel this is in error or desire further assistance, please call us!

522 E (317E623D100) - Cub Cadet 22" Snow Thrower Engine (1997)

Engine Assembly I

522 E (31AE623D100) - Cub Cadet 22" Snow Thrower Engine (1998)

Engine Assembly & Muffler

522 E (31AE623D101) - Cub Cadet 22" Snow Thrower Engine (1999)

Engine Assembly

522 LS (247D523B100) - Cub Cadet Log Splitter Engine (1997)

Engine Assembly I

522 WE (31AH623D100) - Cub Cadet 22" Snow Thrower Engine (2000)

Engine Assembly (Model 522WE)

522 WE (31AH623D100) - Cub Cadet 22" Snow Thrower Engine (2001)

Engine

724 E (31AE633E100) - Cub Cadet 24" Snow Thrower Engine (1998)

Engine Assembly & Muffler

724 E (31AE633E101) - Cub Cadet 24" Snow Thrower Engine (1999)

Engine Assembly

724 STE (31AH733E100) - Cub Cadet 24" Snow Thrower Engine (2001)

Engine

724 WE (31AH633E100) - Cub Cadet 24" Snow Thrower Engine (2000)

Engine Assembly (Model 724WE)

724 WE (31AH633E100) - Cub Cadet 24" Snow Thrower Engine (2001)

Engine

CSV 240 (247-203B100) - Cub Cadet Chipper/Shredder/Vacuum Engine (1997)

Engine Assembly I

RTS-50 (21A-448-000) - Cub Cadet Rear-Tine Tiller Engine (1997)

Engine Assembly I