Echo 12901003930  Grommet

Echo 12901003930

Grommet
(Superseded to )

4.40 in.

2.20 in.

0.45 in.

Description... Hide
The most common purpose of a Grommet is to enable a sealed connection between two components, like holding fuel lines or the fuel valve usually within the fuel tank. Usually made of hard but pliable rubber, exposure to chemicals in the fuel and abrasion from debris in the fuel system can degrade the grommet over time and eventually cause it to leak or fail. Replacing a leaking grommet is usually pretty easy using a flat head screwdriver, but rubbing some oil around the outer rim may help with installation.

$1.99

$

In Stock, only 4 left!

0

Models that Use this Part

Your part was not found on any models.

  • If you feel this is in error or desire further assistance, please call us!

CS-302 - Echo Chainsaw

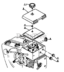
Air Cleaner

CS-302 S - Echo Chainsaw (SN: 00000 - 17500)

Air Cleaner

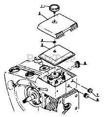
CS-302 S - Echo Chainsaw (SN: 17501 - 30500)

Air Cleaner

CS-302 S - Echo Chainsaw (SN: 30501 - 64670)

Air Cleaner

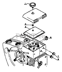
CS-302 S - Echo Chainsaw (SN: 64671 - 99999)

Air Cleaner

CS-315 - Echo Chainsaw (SN: 000001 - 058000)

Unit Complete

CS-315 - Echo Chainsaw (SN: 058001 - 090010)

Unit Complete

CS-400 EVL - Echo Chainsaw

Air Cleaner, Fuel System, Handles

CS-400 EVLP - Echo Chainsaw

Air Cleaner, Fuel System, Handles

CS-440 EVL - Echo Chainsaw

Handles