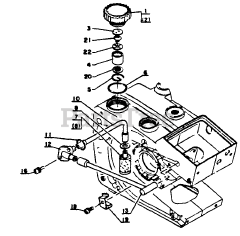
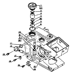
Echo 13103503431
              
              FILTER, FUEL
               - 
             
            
              (Superseded to Discontinued)
               
             
            
            
               in.
               in.
               in.
               lbs.
             
            
            
           
          
          
     
    
    
      
      
        
          Your part was not found on any models.
          
            
              - If you feel this is in error or desire further assistance, please call us!
 
         
        
        
          
          
        
            
              
              
                
                  CS-302 S - Echo Chainsaw (SN: 00000 - 17500)
                
                
               
             
           
            
              
              
                
                  CS-302 S - Echo Chainsaw (SN: 17501 - 30500)
                
                
               
             
           
            
              
              
                
                  CS-302 S - Echo Chainsaw (SN: 30501 - 64670)
                
                
               
             
           
            
              
              
                
                  CS-302 S - Echo Chainsaw (SN: 64671 - 99999)
                
                
               
             
           
            
              
              
                
                  CS-315 - Echo Chainsaw (SN: 058001 - 090010)
                
                
               
             
           
            
              
              
                
                  CS-451 VL - Echo Chainsaw
                
                
               
             
           
            
              
              
                
                  CS-452 VL - Echo Chainsaw