Echo 14309814  SCREW

Echo 14309814 SCREW

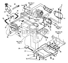
Echo 14309814

SCREW
(Superseded to Discontinued)

$

$

Not available

Models that Use this Part

Your part was not found on any models.

  • If you feel this is in error or desire further assistance, please call us!

ST-4500 E - Echo Snow Thrower (SN: 5001181329934 - 5001999999999)

Fuel System, Engine Cover

ST-4500 - Echo Snow Thrower (SN: 5001018329934 - 5001171329934)

Fuel System, Engine Cover

ST-4500 - Echo Snow Thrower (SN: 5001181329934 - 5001999999999)

Fuel System, Engine Cover

ST-5000 E - Echo Snow Thrower (SN: 0001001 - 0001456)

Fuel System, Engine Cover

ST-5000 E - Echo Snow Thrower (SN: 5001001 - 5001461)

Fuel System, Engine Cover

ST-5000 E - Echo Snow Thrower (Type 1E) (1998)

Belt Cover, Auger Housing

ST-5000 - Echo Snow Thrower (SN: 0001001 - 0001470)

Fuel System, Engine Cover

ST-5000 - Echo Snow Thrower (SN: 5001002 - 5001627)

Fuel System, Engine Cover

ST-5000 - Echo Snow Thrower (Type 1E) (1998)

Belt Cover, Auger Housing