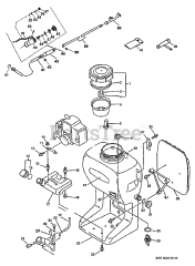
Echo 35611110510  Air Filter

Echo 35611110510

Air Filter
(Superseded to )

3.80 in.

3.40 in.

1.05 in.

0.02 lbs.

Description... Hide
The purpose of the Air Filter is to allow a constant supply of air into the engine while stopping any dust, dirt, bits of grass, or other small debris from passing through and potentially causing damage to the cylinder and piston. If the air filter is clogged, it can prevent proper air flow and cause the engine to lose power. Home users often replace their air filter during their annual tune-up. Replacing an air filter will improve the performance and prolong the life of your equipment.

$7.99

$

In Stock, only 3 left!

0

Models that Use this Part

Your part was not found on any models.

  • If you feel this is in error or desire further assistance, please call us!

SHR-200 E - Echo Power Sprayer

Tank Assy, Frame Assy, Hose And Wand Assy

SHR-210 - Echo Power Sprayer

Fuel Tank, Spray Tank