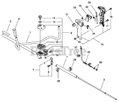
Echo 610018-27830  DRIVESHAFT

Echo 610018-27830 DRIVESHAFT

Echo 610018-27830

DRIVESHAFT
(Superseded to )

$58.99

$

Usually ships in 2-4 days

0

Models that Use this Part

Your part was not found on any models.

  • If you feel this is in error or desire further assistance, please call us!

SRM-2305 - Echo String Trimmer (SN: S25220001001 - S25220999999)

Brushcutter (Part 6)