Electrolux/AYP 124162X  SUB= 137367

Electrolux/AYP 124162X SUB= 137367

Electrolux/AYP 124162X

SUB= 137367
(Superseded to )

$

$

Not available

Models that Use this Part

Your part was not found on any models.

  • If you feel this is in error or desire further assistance, please call us!

RL 1844 B - Electrolux/AYP Lawn Tractor (1991)

DRIVE

Y 1438 B - Electrolux/AYP Lawn Tractor (1991)

TRANSAXLE AND REAR WHEEL

Y 1642 A - Electrolux/AYP Lawn Tractor (1992)

DRIVE

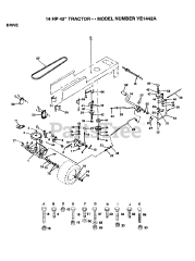
YE 1442 A - Electrolux/AYP Lawn Tractor

DRIVE