Electrolux/AYP 138475  INTAKE.AIR.DUCT

Electrolux/AYP 138475 INTAKE.AIR.DUCT

Electrolux/AYP 138475

INTAKE.AIR.DUCT
(Superseded to )

$

$

Not available

Models that Use this Part

Your part was not found on any models.

  • If you feel this is in error or desire further assistance, please call us!

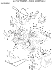
951941 - Electrolux/AYP Lawn Tractor (1994)

MOWER DECK