Electrolux/AYP 169373X428  CONSOLE.SHIFT.LTST.AUT.BLK

Electrolux/AYP 169373X428 CONSOLE.SHIFT.LTST.AUT.BLK

Electrolux/AYP 169373X428

CONSOLE.SHIFT.LTST.AUT.BLK
(Superseded to 532173026)

$

$

Not available

Models that Use this Part

Your part was not found on any models.

  • If you feel this is in error or desire further assistance, please call us!

AG 185H42ST A - Agway Lawn Tractor (2004)

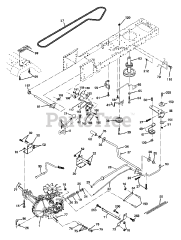
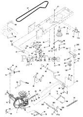
Ground Drive

AK 125H42 C - Electrolux/AYP Lawn Tractor

GROUND DRIVE

DE 155H42 A - Electrolux/AYP Lawn Tractor

DRIVE

DPR 20H42ST A - Electrolux/AYP Lawn Tractor

DRIVE

PC 17H42ST A - Poulan Lawn Tractor (2003)

Drive

PD 185H42ST A - Poulan Pro Lawn Tractor (2004)

Drive

PD 185H42ST B - Poulan Pro Lawn Tractor (2004)

Drive

PD 185H42ST C - Poulan Pro Lawn Tractor (2004)

Drive

PD 18H42ST A - Poulan Pro Lawn Tractor (2003)

Drive

PD 18H42ST B - Poulan Pro Lawn Tractor (2003)

Drive

PD 20H42ST A - Poulan Pro Lawn Tractor (2003)

Drive

PDB 18H42ST A - Poulan Pro Lawn Tractor (2003)

Drive

PDC 18H42ST A - Poulan Pro Lawn Tractor (2003)

Drive

PO 165H42 A - Poulan Lawn Tractor (2001)

Drive

PO 165H42 C - Poulan Lawn Tractor (2001)

Drive

PO 165H42ST A - Poulan Lawn Tractor (2002)

Drive

PO 165H42ST B - Poulan Lawn Tractor (2002)

Drive

PO 17H42ST A - Poulan Lawn Tractor (2003)

Drive

PO 17H42ST B - Poulan Lawn Tractor (2003)

Drive

PO 18H42ST A - Poulan Lawn Tractor (2003)

Drive

PPR 17H42ST C - Poulan Pro Lawn Tractor (2000)

Drive

PPR 20H42ST A - Poulan Pro Lawn Tractor (2002)

Drive

PPR 20H42ST B - Poulan Pro Lawn Tractor (2002)

Drive

PPR 20H42ST C - Poulan Pro Lawn Tractor (2002)

Drive

PR 16H42ST A - Poulan Pro Lawn Tractor (2000)

Drive

Don’t see your model? Add key terms into the filter above to refine your search results.