Electrolux/AYP 74640808  NO LONGER AVAILABLE

Electrolux/AYP 74640808 NO LONGER AVAILABLE

Electrolux/AYP 74640808

NO LONGER AVAILABLE
(Superseded to 874640808)

$

$

Not available

Models that Use this Part

Your part was not found on any models.

  • If you feel this is in error or desire further assistance, please call us!

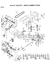
CP 1842 A - Central Park Lawn Tractor (1992)

DRIVE

CP 1842 B - Central Park Lawn Tractor (1992)

DRIVE

CP 1842 C - Central Park Lawn Tractor (1993)

18HP 42" TRACTOR-DRIVE