Homelite 308045012  Clamp and Knob Assembly, 4-Cycle Ryobi Stl

Homelite 308045012 Clamp and Knob Assembly, 4-Cycle Ryobi Stl

Homelite 308045012

Clamp and Knob Assembly, 4-Cycle Ryobi Stl
(Superseded to )

$

$

Not available

Models that Use this Part

Your part was not found on any models.

  • If you feel this is in error or desire further assistance, please call us!

RY 251 PH (090333001) - Ryobi String Trimmer, Rev 01 (2015-03)

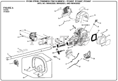
FIGURE A

RY 251 PH (090333005) - Ryobi String Trimmer, Rev 01 (2016-08)

Figure A RY251PH

RY 254 BC (090333004) - Ryobi Brush Cutter

Firure A

RY 254 BC (090333008) - Ryobi Brush Cutter, Rev 01 (2016-08)

Figure A

RY 34007 (090432017) - Ryobi String Trimmer Powerhead, 30cc

Figure A - Model RY34007

RY 34007 (090432020) - Ryobi String Trimmer Powerhead, 30cc

Figure A - Model RY34007

RY 34007 - Ryobi String Trimmer Powerhead, 30cc

Figure A

RY 34427 - Ryobi String Trimmer, 30cc

Figure A

RY 34447 - Ryobi String Trimmer, 30cc

Figure A