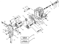
Husqvarna 127146X  Housing Kit, Transmission

Husqvarna 127146X Housing Kit, Transmission

Husqvarna 127146X

Housing Kit, Transmission
(Superseded to )

$

$

Not available

Models that Use this Part

Your part was not found on any models.

  • If you feel this is in error or desire further assistance, please call us!

WP 18 H44A - Winston Pro Yard Tractor (1992-02)

Sundstrand Pump - - Model Number Bdu-10