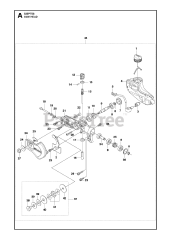
Husqvarna 503240911  NEEDLE ROLLER

Husqvarna 503240911 NEEDLE ROLLER

Husqvarna 503240911

NEEDLE ROLLER
(Superseded to )

$3.49

$

In Stock, Qty 12

0

Models that Use this Part

Your part was not found on any models.

  • If you feel this is in error or desire further assistance, please call us!

327 PT5S - Husqvarna Pole Saw (2011-06)

SAW HEAD

327 PT5S - Husqvarna Pole Saw (SN: 20112300001 - 20120100000)

SAW HEAD

327 PT5S - Husqvarna Pole Saw (SN: 20120100001 & Above)

SAW HEAD

525 DEPS - Husqvarna Pole Saw

SAW HEAD

525 PT5S - Husqvarna Pole Saw

SAW HEAD 2

537183325 - Husqvarna Saw Head Attachment

SAW HEAD