Husqvarna 532124960  SPRING H

Husqvarna 532124960 SPRING H

Husqvarna 532124960

SPRING H
(Superseded to 532009135)

0.03 lbs.

Description... Hide
The Spring stores mechanical energy to bear loads, and support impact in part components. Springs can either stretch or compress as a load is applied, according to their purpose. Springs will fail in response to excessive stress or force for what they are designed to handle. Failure in springs can deform other components in your machine. We always suggest purchasing replacement springs from a genuine OEM original parts dealer, like us, to ensure they fit exactly as intended for safe operation by the OEM.

$

$

Not available

Models that Use this Part

Your part was not found on any models.

  • If you feel this is in error or desire further assistance, please call us!

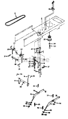
GT 160 (H1644C) - Husqvarna Garden Tractor (1991-08)

Drive Clutch And Lift Group

GT 180 (954000372-C) - Husqvarna Garden Tractor (1992-08)

Mower Lift

GT 180 (954000372-D) - Husqvarna Garden Tractor (1992-11)

Mower Lift

LT 125 (H12538C) - Husqvarna Lawn Tractor (1991-06)

Drive Group

YTH 142 (954000352-A) - Husqvarna Yard Tractor (1991-08)

Lift Adjustment