Husqvarna 532174356  Mandrel with Spacer, Bearing, Shrt, Nonrvl

Husqvarna 532174356

Mandrel with Spacer, Bearing, Shrt, Nonrvl
(Superseded to 587125201)

2.52 lbs.

Description... Hide
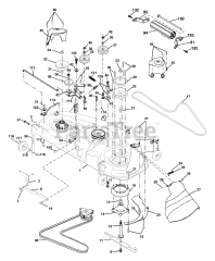
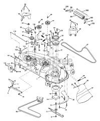
The purpose of the Spindle is to control the safe rotation of the mower blade during operation. The spindle is often made of aluminum on residential mowers and steel on commercial mower decks. Much like a shear pin in other applications, the spindle is designed to break if the blade hits a hard object to protect the deck shell from damage. Screws are required for installation and are usually sold separately. Most use self-tapping screws to create the threads when screwed into the holes in the spindle.

$62.99

$

In Stock, Qty 20+

0

Models that Use this Part

Your part was not found on any models.

  • If you feel this is in error or desire further assistance, please call us!

535 LST - Husqvarna Brush Cutter

CARBURETOR DETAILS

917.279080 (960130007) - Craftsman Yard Tractor (2004-12) (Sears)

Mower Deck

917.279100 (960230003) - Craftsman Yard Tractor (2004-12) (Sears)

Mower Deck

EZ 4819 (968999504) - Husqvarna 48" Zero-Turn Mower (2006-06)

48"/122CM CUTTING DECK

EZ 4824 (968999513) - Husqvarna 48" Zero-Turn Mower (2006-06)

48"/122CM CUTTING DECK 2

EZ 4824 BI (968999513) - Husqvarna 48" Zero-Turn Mower (2006-06)

Deck Assembly 48"

EZ 6124 (968999505) - Husqvarna 61" Zero-Turn Mower (2006-06)

48"/122CM CUTTING DECK

GTH 2248 XP (954567888-A) - Husqvarna 48" Garden Tractor (2002-01)

Mower Deck

GTH 2248 XP (954567888-B) - Husqvarna 48" Garden Tractor (2002-10)

Mower Deck

GTH 2248 XP (954567888-B) - Husqvarna 48" Garden Tractor (2003-05)

MOWER DECK / CUTTING DECK

GTH 2248 XP (954567888-C) - Husqvarna 48" Garden Tractor (2003-07)

Mower Deck

GTH 250 (954170055-A) - Husqvarna Garden Tractor (2002-02)

Mower Deck

GTH 250 (954170055-A) - Husqvarna Garden Tractor (2002-03)

MOWER DECK / CUTTING DECK

GTH 250 XP (954170092-A) - Husqvarna Garden Tractor (2003-01)

MOWER DECK / CUTTING DECK

GTH 250 XP (954170214-D) - Husqvarna Garden Tractor (2004-09)

MOWER DECK / CUTTING DECK

GTH 250 XP (960210001-00) - Husqvarna Garden Tractor (2005-01)

MOWER DECK / CUTTING DECK

GTH 2548 (917279100) - Husqvarna 48" Garden Tractor (2004-12)

MOWER DECK / CUTTING DECK

GTH 2548 (954572004-A) - Husqvarna 48" Garden Tractor (2004-05)

Mower Deck

GTH 2548 (954572004-B) - Husqvarna 48" Garden Tractor (2004-02)

Mower Deck

GTH 2548 (954572004) - Husqvarna 48" Garden Tractor (2004-02)

MOWER DECK / CUTTING DECK

GTH 2548 (954572004) - Husqvarna 48" Garden Tractor (2004-05)

MOWER DECK / CUTTING DECK

GTH 2548 (954572134-A) - Husqvarna 48" Garden Tractor (2003-12)

Mower Deck

GTH 2548 (954572134-A) - Husqvarna 48" Garden Tractor (2004-01)

MOWER DECK / CUTTING DECK

GTH 2548 (954572134-B) - Husqvarna 48" Garden Tractor (2003-12)

MOWER DECK / CUTTING DECK

GTH 2548 (954572134-B) - Husqvarna 48" Garden Tractor (2004-01)

MOWER DECK / CUTTING DECK

Don’t see your model? Add key terms into the filter above to refine your search results.