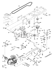
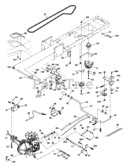
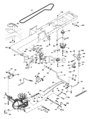
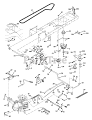
Husqvarna 532174607  Engine Pulley

Husqvarna 532174607

Engine Pulley
(Superseded to )

1.12 lbs.

Description... Hide
The purpose of the Pulley or Sheave is to ensure smooth movement of the belts within your equipment or engine. Symptoms of a bad or failing pulley could include squealing during operations and sluggish or slipping belts. If you find damage to a pulley, like metal burrs or dents, also inspect the associated shaft and bearing for similar signs of impact or abrasion. When you replace a pulley, strongly consider replacing the associated belt so that you get the maximum performance improvement.

$62.99

$

Usually ships in 3-10 days

0

Models that Use this Part

Your part was not found on any models.

  • If you feel this is in error or desire further assistance, please call us!

917.279060 (960130002) - Craftsman Yard Tractor (2005-03) (Sears)

Drive

917.279080 (960130007) - Craftsman Yard Tractor (2004-12) (Sears)

Drive

917.279081 (960130007) - Craftsman Yard Tractor (2005-08) (Sears)

Drive

LTH 1542 (960130009-00) - Husqvarna 42" Lawn Tractor (2005-10)

Drive

LTH 1842 (960110222-00) - Husqvarna 42" Lawn Tractor (2006-01)

DRIVE

YTH 1542 XP (954170225-J) - Husqvarna 42" Yard Tractor (2004-09)

DRIVE

YTH 1542 XP (954170225-L) - Husqvarna 42" Yard Tractor (2005-05)

DRIVE

YTH 1542 XP (960130001-00) - Husqvarna 42" Yard Tractor (2005-01)

Drive

YTH 1542 XP (960130001-00) - Husqvarna 42" Yard Tractor (2005-05)

DRIVE

YTH 1542 XP (960130001-01) - Husqvarna 42" Yard Tractor (2005-01)

Drive

YTH 170 (954170047-A) - Husqvarna Yard Tractor (2002-06)

DRIVE

YTH 170 (954170047-B) - Husqvarna Yard Tractor (2002-06)

DRIVE

YTH 180 XP (954170205-B) - Husqvarna Yard Tractor (2004-01)

DRIVE

YTH 180 XP (954170205-C) - Husqvarna Yard Tractor (2004-06)

DRIVE

YTH 180 XP (960110119-00) - Husqvarna Yard Tractor (2006-01)

DRIVE

YTH 1842 (960130002-01) - Husqvarna 42" Yard Tractor (2005-01)

Drive

YTH 1848 XP (954170057-E) - Husqvarna 48" Yard Tractor (2003-01)

DRIVE

YTH 1848 XP (954170226-G) - Husqvarna 48" Yard Tractor (2004-09)

DRIVE

YTH 1848 XP (954170226-H) - Husqvarna 48" Yard Tractor (2004-09)

DRIVE

YTH 1848 XP (954170226-J) - Husqvarna 48" Yard Tractor (2004-09)

SEAT

YTH 1848 XP (954567260-F) - Husqvarna 48" Yard Tractor (2002-11)

Drive

YTH 1848 XP (954567260) - Husqvarna 48" Yard Tractor (2003-06)

DRIVE

YTH 1848 XP (954568489) - Husqvarna 48" Yard Tractor (2004-03)

Drive

YTH 1848 XP (960130003-00) - Husqvarna 48" Yard Tractor (2005-10)

Drive

YTH 1848 XP (960130003-01) - Husqvarna 48" Yard Tractor (2005-03)

Drive

Don’t see your model? Add key terms into the filter above to refine your search results.