Husqvarna 532175414  Engine Pulley

Husqvarna 532175414 Engine Pulley

Husqvarna 532175414

Engine Pulley
(Superseded to )

1.52 lbs.

Description... Hide
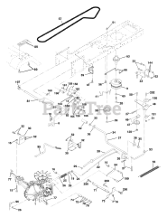
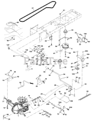
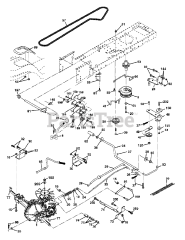
The purpose of the Pulley or Sheave is to ensure smooth movement of the belts within your equipment or engine. Symptoms of a bad or failing pulley could include squealing during operations and sluggish or slipping belts. If you find damage to a pulley, like metal burrs or dents, also inspect the associated shaft and bearing for similar signs of impact or abrasion. When you replace a pulley, strongly consider replacing the associated belt so that you get the maximum performance improvement.

$68.99

$

In Stock, only 1 left!

0

Models that Use this Part

Your part was not found on any models.

  • If you feel this is in error or desire further assistance, please call us!

LTH 1842 (954170238-A) - Husqvarna 42" Lawn Tractor (2004-09)

DRIVE

LTH 1842 (954170238-B) - Husqvarna 42" Lawn Tractor (2005-01)

DRIVE

YTH 1342 XP (954569332-A) - Husqvarna 42" Yard Tractor (2003-03)

Drive

YTH 1542 (954567048-B) - Husqvarna 42" Yard Tractor (2001-01)

Drive

YTH 1542 (954567048-D) - Husqvarna 42" Yard Tractor (2001-11)

Drive

YTH 1542 (954567048-E) - Husqvarna 42" Yard Tractor (2001-12)

Drive

YTH 1542 (954567048) - Husqvarna 42" Yard Tractor (2001-01)

DRIVE

YTH 1542 (954567048) - Husqvarna 42" Yard Tractor (2001-11)

DRIVE

YTH 1542 (954567048) - Husqvarna 42" Yard Tractor (2001-12)

DRIVE

YTH 1542 (954568526-A) - Husqvarna 42" Yard Tractor (2002-01)

Drive

YTH 1542 (954568526-B) - Husqvarna 42" Yard Tractor (2002-02)

Drive

YTH 1542 (954568526) - Husqvarna 42" Yard Tractor (2002-01)

DRIVE

YTH 1542 (954568526) - Husqvarna 42" Yard Tractor (2002-02)

DRIVE

YTH 1542 XP (954170056-A) - Husqvarna 42" Yard Tractor (2003-01)

DRIVE

YTH 1542 XP (954170056-B) - Husqvarna 42" Yard Tractor (2003-01)

DRIVE

YTH 1542 XP (954170056-D) - Husqvarna 42" Yard Tractor (2003-01)

DRIVE

YTH 1542 XP (954170225-F) - Husqvarna 42" Yard Tractor (2004-09)

DRIVE

YTH 1542 XP (954170225-G) - Husqvarna 42" Yard Tractor (2004-09)

DRIVE

YTH 1542 XP (954170225-H) - Husqvarna 42" Yard Tractor (2004-09)

DRIVE

YTH 1542 XP (954567253-B) - Husqvarna 42" Yard Tractor (2001-11)

Drive

YTH 1542 XP (954567253-C) - Husqvarna 42" Yard Tractor (2001-12)

Drive

YTH 1542 XP (954567253-D) - Husqvarna 42" Yard Tractor (2001-12)

Drive

YTH 1542 XP (954567253-E) - Husqvarna 42" Yard Tractor (2002-02)

Drive

YTH 1542 XP (954567253-F) - Husqvarna 42" Yard Tractor (2002-02)

Drive

YTH 1542 XP (954567253-G) - Husqvarna 42" Yard Tractor (2003-03)

Drive

Don’t see your model? Add key terms into the filter above to refine your search results.