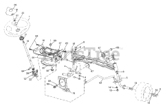
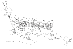
Husqvarna 532194746  Steering Shaft Service Kit

  • HUS 587738904 - undefined (Slide 1 of 1)

Husqvarna 532194746

Steering Shaft Service Kit
(Superseded to 587738904)

3.59 lbs.

Description... Hide
The Shaft is any rotating machine part used to transmit power from one part to another. The rotation of crankshafts then allow the clutch to engage the driven shaft, such as a spindle shaft which turns the mower blades. Shafts can commonly be damaged from improper installation, impact or collisions bending the shaft, or improper lubrication increasing wear due to friction and overheating. Make sure all shafts in machinery are working properly and maintained to ensure proper operation and safety.

$51.99

$

In Stock, Qty 20+

0

Models that Use this Part

Your part was not found on any models.

  • If you feel this is in error or desire further assistance, please call us!

272 XP - Husqvarna Chainsaw (SN: 20163200001 - 20173200000)

STARTER

917.279180 (YTH 2242 T) - Craftsman Yard Tractor (2006-05) (Sears)

Steering Assembly

917.279181 (YTH 2242 T) - Craftsman Yard Tractor (2006-05) (Sears)

Steering Assembly

917.279200 (YTH 2448 T) - Craftsman Yard Tractor (2006-05) (Sears)

Steering Assembly

917.279201 (YTH 2448 T) - Craftsman Yard Tractor (2006-05) (Sears)

Steering Assembly

917.279220 (YTH 2454 T) - Craftsman Yard Tractor (2006-05) (Sears)

Steering Assembly

917.279240 (960430005) - Craftsman Yard Tractor (2006-05) (Sears)

Steering Assembly

917.279241 (960430005) - Craftsman Yard Tractor (2006-05) (Sears)

Steering Assembly

917.279260 (960430009) - Craftsman Yard Tractor (2006-06) (Sears)

Steering Assembly

917.287520 (YTH 2042) - Craftsman Yard Tractor (2007-01) (Sears)

Steering Assembly

CTH 163 T (960510003-00) - Husqvarna Lawn Tractor (2011-03)

STEERING

CTH 163 T (960510017-00) - Husqvarna Lawn Tractor (2011-05)

STEERING

CTH 224 TFI (960510083-00) - Husqvarna Lawn Tractor (2013-10)

STEERING

CTH 224 TFI (960510110-00) - Husqvarna Lawn Tractor (2013-10)

STEERING

GTH 2448 T (917279260) - Husqvarna 48" Garden Tractor (2006-02)

STEERING

GTH 2448 T (917279260) - Husqvarna 48" Garden Tractor (2006-06)

STEERING

GTH 2448 T (960430009-00) - Husqvarna 48" Garden Tractor (2005-12)

STEERING

GTH 2448 T (960430009-00) - Husqvarna 48" Garden Tractor (2006-06)

Steering Assembly

GTH 2448 T (960430009-01) - Husqvarna 48" Garden Tractor (2006-06)

Steering Assembly

GTH 2448 T (960450003-00) - Husqvarna 48" Garden Tractor (2005-11)

Steering Assembly

GTH 2454 T (960430023-00) - Husqvarna 54" Garden Tractor (2006-03)

STEERING

GTH 2454 T (960430023-00) - Husqvarna 54" Garden Tractor (2006-06)

Steering Assembly

GTH 26 K54 (960430031-00) - Husqvarna Garden Tractor (2006-11)

Steering Assembly

GTH 26 K54 T (960430011-00) - Husqvarna Garden Tractor (2006-03)

Steering Assembly

GTH 26 K54 T (960430011-01) - Husqvarna Garden Tractor (2006-03)

Steering Assembly

Don’t see your model? Add key terms into the filter above to refine your search results.