Husqvarna 532197380  Idler Pulley, LH

Husqvarna 532197380

Idler Pulley, LH
(Superseded to 532196104)

2.05 lbs.

Description... Hide
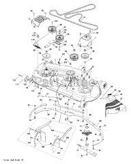
The purpose of the Pulley or Sheave is to ensure smooth movement of the belts within your equipment or engine. Symptoms of a bad or failing pulley could include squealing during operations and sluggish or slipping belts. If you find damage to a pulley, like metal burrs or dents, also inspect the associated shaft and bearing for similar signs of impact or abrasion. When you replace a pulley, strongly consider replacing the associated belt so that you get the maximum performance improvement.

$45.99

$

In Stock, Qty 20+

0

Models that Use this Part

Your part was not found on any models.

  • If you feel this is in error or desire further assistance, please call us!

2348 LS (960430044-00) - Husqvarna 48" Lawn Tractor (2008-01)

Mower Deck

2348 LS (960430049-00) - Husqvarna 48" Lawn Tractor, CARB (2008-03)

Mower Deck

2348 LS (960430064-00) - Husqvarna 48" Lawn Tractor (2008-11)

Mower Deck

2348 LS (960430077-00) - Husqvarna 48" Lawn Tractor, CARB (2008-11)

Mower Deck

2354 GXLS (960430068-00) - Husqvarna 54" Lawn Tractor (2009-01)

Mower Deck

2748 GLS (960430046-00) - Husqvarna 48" Lawn Tractor (2008-01)

Mower Deck

2748 GLS (960430050-00) - Husqvarna 48" Lawn Tractor, CARB (2008-03)

Mower Deck

2748 GLS (960430065-00) - Husqvarna 48" Lawn Tractor (2008-12)

Mower Deck

2748 GLS (960430078-00) - Husqvarna 48" Lawn Tractor, CARB (2008-12)

Mower Deck

2754 GLS (960430047-00) - Husqvarna 54" Lawn Tractor (2008-01)

Mower Deck

2754 GLS (960430047-00) - Husqvarna 54" Lawn Tractor (2011-09)

MOWER DECK / CUTTING DECK

2754 GLS (960430066-00) - Husqvarna 54" Lawn Tractor (2008-12)

MOWER DECK / CUTTING DECK

2754 GLS (960430066-00) - Husqvarna 54" Lawn Tractor (2009-04)

Mower Deck

362 - Husqvarna Chainsaw

CLUTCH & OIL PUMP 3

917.289560 (YTH 2348) - Craftsman Yard Tractor (2009-01) (Sears)

Mower Deck

917.289570 (YTH 2348) - Craftsman Yard Tractor (2010-04) (Sears)

Mower Deck

917.289571 (YTH 2348) - Craftsman Yard Tractor (2010-04) (Sears)

Mower Deck

917.289640 (YTH 24 V 54) - Craftsman Yard Tractor (2010-04) (Sears)

Mower Deck

GT 54 CS (917502140) - Husqvarna 54" Garden Tractor (2015-12)

MOWER DECK / CUTTING DECK

GT 54 CS (960430225-00) - Husqvarna 54" Garden Tractor (2015-12)

MOWER DECK / CUTTING DECK

GT 54 LS (960430157-00) - Husqvarna 54" Garden Tractor (2012-10)

MOWER DECK / CUTTING DECK

GT 54 LS (960430179-00) - Husqvarna 54" Garden Tractor (2013-11)

MOWER DECK / CUTTING DECK

GTH 24 K54 (960430149-00) - Husqvarna Garden Tractor (2012-08)

MOWER DECK / CUTTING DECK

GTH 24 K54 (960430149-01) - Husqvarna Garden Tractor (2013-08)

MOWER DECK / CUTTING DECK

GTH 24 V54 (960480063-00) - Husqvarna Garden Tractor (2013-11)

MOWER DECK / CUTTING DECK

Don’t see your model? Add key terms into the filter above to refine your search results.