Husqvarna 532401239  Mower Deck Weldment, 48" 4Gwb Grey

Husqvarna 532401239 Mower Deck Weldment, 48" 4Gwb Grey

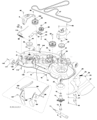
Husqvarna 532401239

Mower Deck Weldment, 48" 4Gwb Grey
(Superseded to 532439818)

90.00 lbs.

Description... Hide
The purpose of the Mower Deck or Cutting Deck is to safely enclose the grass cutting operations of the mower. The mower deck can range in size, durability, and shape. For example a residential zero-turn mower might have a 32" stamped metal deck, while a commercial-grade mower could have a 72" fabricated deck welded from 10-guage steel. When picking a replacement mower deck, make sure to note if you are purchasing a "Deck Shell Only" or a Complete Deck (which also includes spindles, pulleys, covers, etc.).

$

$

Not available

Models that Use this Part

Your part was not found on any models.

  • If you feel this is in error or desire further assistance, please call us!

TS 148 (960410441-00) - Husqvarna 48" Garden Tractor (2019-08)

MOWER DECK / CUTTING DECK

YTH 2348 (960430059-01) - Husqvarna 48" Yard Tractor (2009-01)

Mower Deck