Husqvarna 532427350  Screw

Husqvarna 532427350 Screw

Husqvarna 532427350

Screw
(Superseded to 583441001)
Description... Hide
The Screw, sometimes called a bolt or fastener, is one of the most common parts found in outdoor power equipment. Some types of screws, like a self-tapping screw or shoulder screw, are very uniquely built for their purpose and must be purchased from the OEM/Manufacturer. Others look identical to the screws you might find in a hardware store. We always suggest purchasing replacement screws from an OEM original parts dealer, like us, to ensure they fit exactly as intended for safe operation by the OEM.

$3.49

$

Usually ships in 3-10 days

0

Models that Use this Part

Your part was not found on any models.

  • If you feel this is in error or desire further assistance, please call us!

LT 151 (960410018-05) - Husqvarna Lawn Tractor (2010-01)

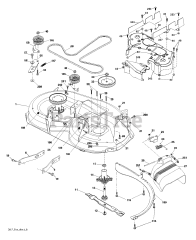
MOWER DECK / CUTTING DECK

LT 154 (960410322-00) - Husqvarna Lawn Tractor (2013-10)

MOWER DECK / CUTTING DECK

LTH 154 (960410329-00) - Husqvarna Lawn Tractor (2013-10)

MOWER DECK / CUTTING DECK

TS 138 (960410367-00) - Husqvarna 38" Garden Tractor (2014-07)

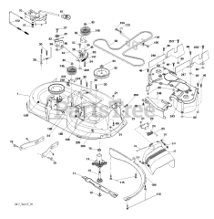
MOWER DECK / CUTTING DECK 2

TS 138 (960410367-01) - Husqvarna 38" Garden Tractor (2015-07)

MOWER DECK / CUTTING DECK

TS 138 (960410367-02) - Husqvarna 38" Garden Tractor (2017-04)

MOWER DECK / CUTTING DECK 2

TS 138 (960410421-00) - Husqvarna 38" Garden Tractor (2018-04)

MOWER DECK / CUTTING DECK

TS 138 - Husqvarna 38" Garden Tractor (Original)

MOWER DECK / CUTTING DECK 2

TS 138 L (960410431-00) - Husqvarna 38" Garden Tractor (2019-08)

MOWER DECK / CUTTING DECK

TS 138 M (960410420-00) - Husqvarna 38" Garden Tractor (2018-07)

MOWER DECK / CUTTING DECK

TS 142 (960410368-00) - Husqvarna 42" Garden Tractor (2014-07)

MOWER DECK / CUTTING DECK

TS 142 (960410368-01) - Husqvarna 42" Garden Tractor (2015-02)

MOWER DECK / CUTTING DECK

TS 142 (960410368-02) - Husqvarna 42" Garden Tractor (2015-07)

MOWER DECK / CUTTING DECK

TS 142 (960410368-03) - Husqvarna 42" Garden Tractor (2017-04)

MOWER DECK / CUTTING DECK

TS 142 (960410422-00) - Husqvarna 42" Garden Tractor (2018-04)

MOWER DECK / CUTTING DECK

TS 142 - Husqvarna 42" Garden Tractor (Original)

MOWER DECK / CUTTING DECK

TS 142 L - Husqvarna 42" Garden Tractor

SEAT 2

TS 142 T (960410432-00) - Husqvarna 42" Garden Tractor (2019-06)

MOWER DECK / CUTTING DECK

TS 142 TX (960410434-00) - Husqvarna 42" Garden Tractor (2019-06)

MOWER DECK / CUTTING DECK

TS 146 TXD (960410436-00) - Husqvarna 46" Garden Tractor (2019-07)

MOWER DECK / CUTTING DECK

TS 238 (960410369-00) - Husqvarna 38" Garden Tractor (2014-09)

MOWER DECK / CUTTING DECK

TS 238 (960410369-01) - Husqvarna 38" Garden Tractor (2015-02)

MOWER DECK / CUTTING DECK

TS 238 (960410369-02) - Husqvarna 38" Garden Tractor (2015-07)

MOWER DECK / CUTTING DECK

TS 242 (960410370-00) - Husqvarna 42" Garden Tractor (2014-08)

MOWER DECK / CUTTING DECK

TS 242 (960410370-01) - Husqvarna 42" Garden Tractor (2015-07)

MOWER DECK / CUTTING DECK

Don’t see your model? Add key terms into the filter above to refine your search results.