Husqvarna 532435110  Clutch Cable with Spring

Husqvarna 532435110

Clutch Cable with Spring
(Superseded to )

0.58 lbs.

Description... Hide
The purpose of the Cable is most often to control the operation of the equipment itself, as with the throttle cable or brake cable, or to control a major component like the snow blower auger cable or discharge chute cable. Over time the cable can fray, wear and eventually break. Home users often clean and lube the cables during their annual tune-up. Cleaning rust, dirt, moisture, and grit off your cables and then well lubricating them with WD-40 or SeaForm DC14 can help extend their life expectancy.

$43.99

$

In Stock, Qty 20+

0

Models that Use this Part

Your part was not found on any models.

  • If you feel this is in error or desire further assistance, please call us!

917.289610 (YTH 2042) - Craftsman Yard Tractor (2010-05) (Sears)

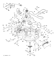
Mower Deck

917.289620 (YTH 22 V 42) - Craftsman Yard Tractor (2010-05) (Sears)

Mower Deck

917.289630 (YTH 22 V 46) - Craftsman Yard Tractor (2010-05) (Sears)

Mower Deck

YTA 18542 (960430211-00) - Husqvarna 42" Yard Tractor (2015-08)

MOWER DECK / CUTTING DECK

YTA 18542 (960450055-00) - Husqvarna 42" Yard Tractor (2015-08)

MOWER DECK / CUTTING DECK

YTA 18542 (960450056-00) - Husqvarna 42" Yard Tractor (2015-08)

MOWER DECK / CUTTING DECK

YTA 18542 - Husqvarna 42" Yard Tractor (Original)

MOWER DECK / CUTTING DECK

YTA 19K42 (960430139-00) - Husqvarna 42" Yard Tractor (2011-08)

MOWER DECK / CUTTING DECK

YTA 19K42 (960430139-01) - Husqvarna 42" Yard Tractor (2012-10)

MOWER DECK / CUTTING DECK

YTA 19K42 (960430142-00) - Husqvarna 42" Yard Tractor (2011-09)

MOWER DECK / CUTTING DECK

YTA 19K42 (960430142-01) - Husqvarna 42" Yard Tractor (2012-12)

MOWER DECK / CUTTING DECK

YTH 1842 (917243820) - Husqvarna 42" Yard Tractor (2017-12)

MOWER DECK / CUTTING DECK

YTH 1842 - Husqvarna 42" Yard Tractor (Original)

MOWER DECK / CUTTING DECK

YTH 18542 (960430172-00) - Husqvarna 42" Yard Tractor (2013-09)

MOWER DECK / CUTTING DECK

YTH 18542 (960430256-00) - Husqvarna 42" Yard Tractor (2017-09)

MOWER DECK / CUTTING DECK

YTH 18542 (960450060-00) - Husqvarna 42" Yard Tractor (2017-06)

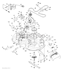
MOWER DECK / CUTTING DECK

YTH 18K42 (960430251-00) - Husqvarna 42" Yard Tractor (2017-09)

MOWER DECK / CUTTING DECK

YTH 18K46 (960430143-00) - Husqvarna 46" Yard Tractor (2012-08)

MOWER DECK / CUTTING DECK

YTH 18K46 (960430144-00) - Husqvarna 46" Yard Tractor (2012-08)

MOWER DECK / CUTTING DECK

YTH 1942 (960430249-00) - Husqvarna 42" Yard Tractor (2017-08)

MOWER DECK / CUTTING DECK

YTH 1942 (960430267-00) - Husqvarna 42" Yard Tractor (2017-10)

MOWER DECK / CUTTING DECK

YTH 2042 (917250180) - Husqvarna 42" Yard Tractor (2012-01)

MOWER DECK / CUTTING DECK

YTH 2042 (917289610) - Husqvarna 42" Yard Tractor (2010-05)

MOWER DECK / CUTTING DECK

YTH 2042 (960430092-02) - Husqvarna 42" Yard Tractor (2010-04)

Mower Deck

YTH 2042 (960430121-00) - Husqvarna 42" Yard Tractor (2010-10)

MOWER DECK / CUTTING DECK

Don’t see your model? Add key terms into the filter above to refine your search results.