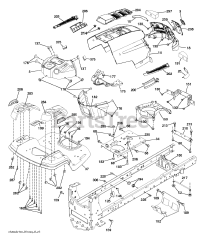
Husqvarna 583536401  SUBASM.DASH.UPPER.HLT.498

Husqvarna 583536401 SUBASM.DASH.UPPER.HLT.498

Husqvarna 583536401

SUBASM.DASH.UPPER.HLT.498
(Superseded to )

1.78 lbs.

$79.99

$

Usually ships in 3-10 days

0

Models that Use this Part

Your part was not found on any models.

  • If you feel this is in error or desire further assistance, please call us!

LTH 1842 (960410394-00) - Husqvarna 42" Lawn Tractor (2018-05)

CHASSIS & ENCLOSURES

TS 142 - Husqvarna 42" Garden Tractor (Original)

CHASSIS & ENCLOSURES