Husqvarna 585318005  Front Reinforcement Plate, 48" Bolt-on

Husqvarna 585318005 Front Reinforcement Plate, 48" Bolt-on

Husqvarna 585318005

Front Reinforcement Plate, 48" Bolt-on
(Superseded to )

0.88 lbs.

Description... Hide
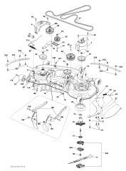
Plates typically refer to metal sheets of varying thickness for several different purposes within your equipment. They can support and hold parts as well as segment different functions within components of your equipment. A fan mounting plate, for example, distributes the weight of the fan among the fasteners. Plates include shave plates on snow throwers, muffler plates, cylinder head plates, or a fan mounting plate. Plates can wear over time from abrasion and friction and may need to be replaced.

$9.49

$

In Stock, only 2 left!

0

Models that Use this Part

Your part was not found on any models.

  • If you feel this is in error or desire further assistance, please call us!

TS 148 X (960430303-00) - Husqvarna 48" Garden Tractor (2019-06)

MOWER DECK / CUTTING DECK

TS 148 X (960430312-00) - Husqvarna 48" Garden Tractor (2020-06)

MOWER DECK / CUTTING DECK

TS 148 X - Husqvarna 48" Garden Tractor (Original)

MOWER DECK / CUTTING DECK

TS 148 XK - Husqvarna 48" Garden Tractor

MOWER DECK / CUTTING DECK

YT 48 CS (502130) - Husqvarna 48" Yard Tractor (2015-12)

MOWER DECK / CUTTING DECK

YT 48 CS (960430224-00) - Husqvarna 48" Yard Tractor (2015-12)

MOWER DECK / CUTTING DECK

YTA 24V48 (960430214-00) - Husqvarna 48" Yard Tractor (2015-08)

MOWER DECK / CUTTING DECK

YTA 24V48 (960450052-00) - Husqvarna 48" Yard Tractor (2015-07)

MOWER DECK / CUTTING DECK

YTA 24V48 (960450054-00) - Husqvarna 48" Yard Tractor (2015-07)

MOWER DECK / CUTTING DECK

YTA 24V48 - Husqvarna 48" Yard Tractor (Original)

MOWER DECK / CUTTING DECK

YTH 21548 (960430323-00) - Husqvarna 48" Yard Tractor (2019-10)

MOWER DECK / CUTTING DECK

YTH 22K48 (960430253-00) - Husqvarna 48" Yard Tractor (2017-10)

MOWER DECK / CUTTING DECK

YTH 22K48 (960480058-00) - Husqvarna 48" Yard Tractor (2013-11)

MOWER DECK / CUTTING DECK

YTH 24K48 (960430278-00) - Husqvarna 48" Yard Tractor (2017-11)

MOWER DECK / CUTTING DECK

YTH 24K48 (960430330-00) - Husqvarna 48" Yard Tractor (2021-01)

MOWER DECK / CUTTING DECK

YTH 24K48 D (960430297-00) - Husqvarna 48" Yard Tractor (2018-08)

MOWER DECK / CUTTING DECK

YTH 24V48 (960430180-00) - Husqvarna 48" Yard Tractor (2013-12)

MOWER DECK / CUTTING DECK

YTH 24V48 (960430258-00) - Husqvarna 48" Yard Tractor (2017-09)

MOWER DECK / CUTTING DECK

YTH 24V48 (960430272-00) - Husqvarna 48" Yard Tractor (2017-10)

MOWER DECK / CUTTING DECK

YTH 24V48 (96045-0068-00) - Husqvarna 48" Yard Tractor (2017-09)

MOWER DECK / CUTTING DECK

YTH 24V48 (960450063-00) - Husqvarna 48" Yard Tractor (2017-06)

MOWER DECK / CUTTING DECK

YTH 24V48 (960450063-01) - Husqvarna 48" Yard Tractor (2020-10)

MOWER DECK / CUTTING DECK