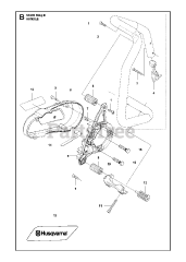
Husqvarna 581 12 51-01  CUTTER ARM

Husqvarna Construction 581 12 51-01 CUTTER ARM

Husqvarna Construction 581 12 51-01

CUTTER ARM
(Superseded to )

52.57 lbs.

$118.65

$

Usually ships in 3-10 days

0

Models that Use this Part

Your part was not found on any models.

  • If you feel this is in error or desire further assistance, please call us!

K 6500 Ring - Husqvarna Cut-Off Saw (2013-09)

HANDLE

K 6500 Ring II - Husqvarna Cut-Off Saw (2016-12)

HANDLE