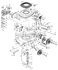
Lawn-Boy 683589  Housing-20" Assembly

Lawn-Boy 683589 Housing-20" Assembly

Lawn-Boy 683589

Housing-20" Assembly
(Superseded to 683797)

$

$

Not available

Models that Use this Part

Your part was not found on any models.

  • If you feel this is in error or desire further assistance, please call us!

3420 - Lawn-Boy Walk-Behind Mower (SN: E00000001 - E99999999) (1986)

Housing And Shroud Group Model: 8155

4261 - Lawn-Boy Walk-Behind Mower (SN: D00000001 - D99999999) (1985)

Housing And Shroud Group Model: 8155

4261 - Lawn-Boy Walk-Behind Mower (SN: E00000001 - E99999999) (1986)

Housing And Shroud Group Model: 8155

4600 - Lawn-Boy Walk-Behind Mower (SN: E00000001 - E99999999) (1986)

Housing And Shroud Group Model: 8155

5253 - Lawn-Boy Walk-Behind Mower (SN: E00000001 - E99999999) (1986)

Housing And Shroud Group Model: 8155

7035 - Lawn-Boy Walk-Behind Mower (SN: E00000001 - E99999999) (1986)

Housing And Shroud Group Model: 8155

8155 - Lawn-Boy Walk-Behind Mower (SN: E00000001 - E99999999) (1986)

HOUSING AND SHROUD GROUP MODEL: 8155