MTD 741-0524  Ball Bearing

MTD 741-0524

Ball Bearing
(Superseded to 941-0524A)

3.95 in.

2.15 in.

1.25 in.

0.15 lbs.

Description... Hide
The purpose of the Bearing is to reduce friction between parts while allowing motion in the desired direction. Common uses for a bearing are to support rotating shafts, like the axles moving the wheels, the spindles spinning the blade, or the crankshaft within the engine. When bearings fail, the increase in heat, pressure, and metal-on-metal contact can damage or destroy other parts. Some types of bearings are unsealed and can lose grease, adding more grease can be key to maintaining proper operation.

$24.99

$

In Stock, only 2 left!

0

Models that Use this Part

Your part was not found on any models.

  • If you feel this is in error or desire further assistance, please call us!

06-339097 (133P678H372) - Hechinger Lawn Tractor (1993)

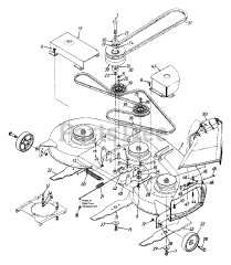
Deck Assembly

06-351514 (140-848H372) - Hechinger Garden Tractor (1990)

Transaxle

06-351514 (141-848H372) - Hechinger Garden Tractor (1991)

Transaxle

06-351514 (149-828-372) - Hechinger Garden Tractor (1989)

Parts06

06-494595 (146S848H372) - Hechinger Garden Tractor (1996)

Transmission Assembly

070483 (135G679H009) - Turf Pro Lawn Tractor (1995) (Hardware Wholesalers)

Deck Assembly & Belts/Blades

1205 (149-812-002) - MasterCut by MTD Garden Tractor (1989) (Aircap Industries)

Parts06

133P660H000 - MTD Lawn Tractor (1993)

Deck Assembly

133P670H087 - MTD Lawn Tractor (1993) (Payless Cashway)

Deck Assembly

133P670H701 - MasterCut by MTD Lawn Tractor (1993) (Scotty's)

Deck Assembly

133P678H000 - MTD Lawn Tractor (1993)

Deck Assembly

133P679H000 - MTD Lawn Tractor (1993)

Deck Assembly

133P679H033 - MTD Lawn Tractor (1993) (Ace Hardware)

Deck Assembly

133P679H205 - Ranch King Lawn Tractor (1993)

Deck Assembly

133P679H382 - MTD Gold Lawn Tractor (1993)

Deck Assembly

133Q668H702 - MTD Lawn Tractor (1993) (Builder's Square)

Deck Assembly

134O695H352 - MTD Lawn Tractor (1994) (Walmart)

Deck Assembly/Blades

134O699H352 - MTD Lawn Tractor (1994) (Walmart)

Deck Assembly/Blades

134P668H000 - MTD Lawn Tractor (1994)

Deck Assembly

134P668H134 - MTD Lawn Tractor (1994) (Home Depot)

Deck Assembly

134P670H000 - MTD Lawn Tractor (1994)

Deck Assembly

134P670H147 - Lawn General Lawn Tractor (1994) (Country General)

Deck Assembly

134P670H301 - MasterCut by MTD Lawn Tractor (1994) (Scotty's)

Deck Assembly

134P679H000 - MTD Lawn Tractor (1994)

Deck Assembly

134P679H009 - Turf Pro Lawn Tractor (1994) (Hardware Wholesalers)

Deck Assembly

Don’t see your model? Add key terms into the filter above to refine your search results.