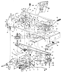
MTD 747-0731  Brake Rod

MTD 747-0731 Brake Rod

MTD 747-0731

Brake Rod
(Superseded to )

$

$

Not available

Models that Use this Part

Your part was not found on any models.

  • If you feel this is in error or desire further assistance, please call us!

130-824H - MTD Lawn Tractor (1990)

Lawn

131-824H - MTD Lawn Tractor (1991)

Lawn

132-820H205 - Ranch King Lawn Tractor (1992)

Lower Frame, Drive & Transaxle

13765-9 - MTD Lawn Tractor (1989)

Lawn

139-784-401 - MTD Lawn Tractor (1989) (Yard-Man)

Parts

5Z028-1A (139-784-135) - Sentar Lawn Tractor (1989) (W.W. Grainger)

Parts