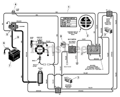
Murray 250X102MA  HARNESS,MAIN SMRDR

Murray 250X102MA HARNESS,MAIN SMRDR

Murray 250X102MA

HARNESS,MAIN SMRDR
(Superseded to )

0.64 lbs.

$

$

Not available

Models that Use this Part

Your part was not found on any models.

  • If you feel this is in error or desire further assistance, please call us!

309005x10A - Briggs & Stratton 30" Rear-Engine Riding Mower (2001)

Electrical System

309304x31B - Scotts 30" Rear-Engine Riding Mower (2002)

Electrical System

309304x8A - Murray 30" Rear-Engine Riding Mower (2001)

Electrical System

309304x8B - Scotts 30" Rear-Engine Riding Mower (2001)

Electrical System

309304x8D - Scotts 30" Rear-Engine Riding Mower (2002)

Electrical System

309304x8E - Scotts 30" Rear-Engine Riding Mower (2002)

Electrical System

309306x89A - Yard King 30" Rear-Engine Riding Mower (2001)

Electrical System