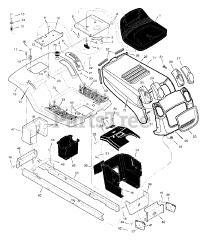
Murray MU1001540  Insert, Grille

Murray MU1001540 Insert, Grille

Murray MU1001540

Insert, Grille
(Superseded to )

$

$

Currently unavailable

Models that Use this Part

Your part was not found on any models.

  • If you feel this is in error or desire further assistance, please call us!

312002x11A - Murray 31" Lawn Tractor (2004)

Chassis & Hood

312002x11B - Murray 30" Lawn Tractor (2005)

Chassis & Hood