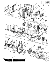
Poulan 530069486  Pulley

Poulan 530069486

Pulley
(Superseded to )

0.10 lbs.

Description... Hide
The purpose of the Pulley or Sheave is to ensure smooth movement of the belts within your equipment or engine. Symptoms of a bad or failing pulley could include squealing during operations and sluggish or slipping belts. If you find damage to a pulley, like metal burrs or dents, also inspect the associated shaft and bearing for similar signs of impact or abrasion. When you replace a pulley, strongly consider replacing the associated belt so that you get the maximum performance improvement.

$

$

Not available

Models that Use this Part

Your part was not found on any models.

  • If you feel this is in error or desire further assistance, please call us!

180 SB - Weed Eater Twister Blower

Blower Assembly

PP 452 - Poulan Pro Blower

ASSEMBLY

SB 180 BV - Weed Eater Blower

Blower Assembly

SB 30 - Weed Eater Blower

Blower Assembly

SV 22 - Weed Eater Blower

BLOWER ASSEMBLY

SV 30 - Weed Eater Blower

BLOWER ASSEMBLY