Poulan 532400337  Anti-Sway Rod, 48/54"Te

Poulan 532400337 Anti-Sway Rod, 48/54"Te

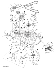
Poulan 532400337

Anti-Sway Rod, 48/54"Te
(Superseded to 596274401)

0.47 lbs.

Description... Hide
This repair part is made by the Original Equipment Manufacturer (OEM) to return your equipment to peak performance levels after normal use. When installing it, remember to do so in a well lit and ventilated space, while taking proper safety precautions like eye protection and chemical-resistant gloves as appropriate. Using only Genuine OEM parts, the same that would be used by an Authorized Dealer performing a warranty repair, will ensure the optimal performance and prolong the life of your equipment.

$13.99

$

In Stock, only 4 left!

0

Models that Use this Part

Your part was not found on any models.

  • If you feel this is in error or desire further assistance, please call us!

PB GT 26H54 (960420111-01) - Poulan Pro Garden Tractor (2010-04)

MOWER DECK / CUTTING DECK

PB GT 26H54 (960420128-00) - Poulan Pro Garden Tractor (2011-01)

MOWER DECK / CUTTING DECK

PB GT 26H54 (960480020-01) - Poulan Pro Garden Tractor (2012-01)

MOWER DECK / CUTTING DECK

PB GT 26H54 (960480020-02) - Poulan Pro Garden Tractor (2012-12)

MOWER DECK / CUTTING DECK