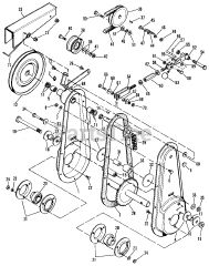
Simplicity 170323  L.H. Case Assembly

Simplicity 170323 L.H. Case Assembly

Simplicity 170323

L.H. Case Assembly
(Superseded to )

$

$

Not available

Models that Use this Part

Your part was not found on any models.

  • If you feel this is in error or desire further assistance, please call us!

1600343 - Simplicity 30" Tiller Attachment

30" Tiller Housing & Drive (5008, 5010)

990628 - Simplicity 30" Tiller Attachment

TRANSMISSION

990930 - Simplicity 30" Tiller Attachment

TRANSMISSION