Snapper 7034705  FRAME, Tractor

Snapper 7034705 FRAME, Tractor

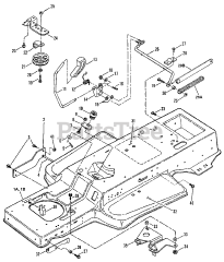
Snapper 7034705

FRAME, Tractor
(Superseded to )

$

$

Currently unavailable

Models that Use this Part

Your part was not found on any models.

  • If you feel this is in error or desire further assistance, please call us!

BH 125G38BB (82356) - Snapper Black Hawk 38" Lawn Tractor, 12.5hp

Frame, Clutch, Brake & Steering Components

BH 140H38BBV (82361) - Snapper Black Hawk 38" Lawn Tractor, 14hp

Frame, Clutch, Brake & Steering Components

ELT 125G33BB (80647) - Snapper 33" Lawn Tractor, 12.5hp

Frame, Clutch, Brake & Steering Components

ELT 140H33BBV (80649) - Snapper 33" Lawn Tractor, 14hp

Frame, Clutch, Brake & Steering Components

LT 120G30BB (80641) - Snapper 30" Lawn Tractor, 12hp

Frame, Clutch, Brake & Steering Components

LT 125G33BB (80462) - Snapper 33" Lawn Tractor, 12.5hp

Frame, Clutch, Brake & Steering Components

LT 140H33BBV (80723) - Snapper 33" Lawn Tractor, 14hp

Frame, Clutch, Brake & Steering Components

LT 140H38BBV (80643) - Snapper 38" Lawn Tractor, 14hp

Frame, Clutch, Brake & Steering Components

LT 145H38CBV (80840) - Snapper 38" Lawn Tractor, 14.5hp

Blade Engagement & Transmission Controls

LT 150H38BBV (80644) - Snapper 38" Lawn Tractor, 15hp

Frame, Clutch, Brake & Steering Components

LT 155H42BBV (80645) - Snapper 42" Lawn Tractor, 15.5hp

Frame, Clutch, Brake & Steering Components

LT 160H42CBV (80842) - Snapper 42" Lawn Tractor, 16hp

Blade Engagement & Transmission Controls

LT 160H42CBV2 (80843) - Snapper 42" Lawn Tractor, 16hp

Blade Engagement & Transmission Controls

LT 160H42DBV (84240) - Snapper 42" Lawn Tractor, 16hp

Frame, Clutch, Brake & Steering Components

LT 160H42DBV2 (82390) - Snapper 42" Lawn Tractor, 16hp

Frame, Clutch, Brake & Steering Components

LT 180H48DBV2 (84253) - Snapper 48" Lawn Tractor, 18hp

Frame, Clutch, Brake & Steering Components