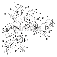
Snapper 7049775  HITCH, Right Hand

Snapper 7049775 HITCH, Right Hand

Snapper 7049775

HITCH, Right Hand
(Superseded to )

$

$

Currently unavailable

Models that Use this Part

Your part was not found on any models.

  • If you feel this is in error or desire further assistance, please call us!

7082809 - Snapper 44" Snow Thrower Attachment

Mounting Assembly & Drive