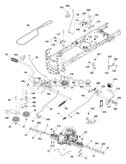
Snapper 84004230  LATCH, Control

Snapper 84004230 LATCH, Control

Snapper 84004230

LATCH, Control
(Superseded to )

$

$

Currently unavailable

Models that Use this Part

Your part was not found on any models.

  • If you feel this is in error or desire further assistance, please call us!

ST 1942 (2691569-00) (960440015) - Snapper 42" Lawn Tractor, Hydro Drive, 19hp

Transmission & Controls Group

ST 1946 (2691558-00) - Snapper 46" Lawn Tractor, Hydro Drive, 19hp

Transmission Group

ST 1946 (960440012-00) - Snapper 46" Lawn Tractor, Hydro Drive, 19hp

Transmission Group

ST 2446 (2691559-00) - Snapper 46" Lawn Tractor, Hydro Drive, 24hp

Transmission Group

ST 2446 (2691570-00) - Snapper 46" Lawn Tractor, Hydro Drive, 24hp

Transmission & Controls Group

ST 2446 (960440014-00) - Snapper 46" Lawn Tractor, Hydro Drive, 24hp

Transmission Group

ST 2446 (960440016-00) - Snapper 46" Lawn Tractor, Hydro Drive, 24hp

Transmission & Controls Group